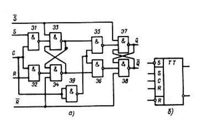
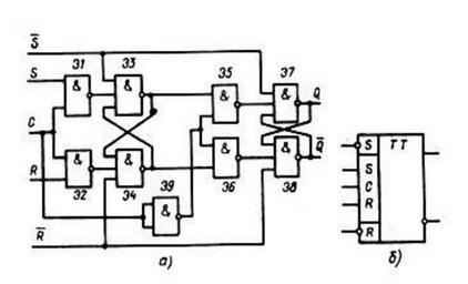
MAKE A MEME View Large Image Снимок двухступенчатого RSC-триггера.JPG ru Логическая схема двухступенчатого RSC-т игге а и его условное г афическое обозначение http //...
View Original:Снимок двухступенчатого RSC-триггера.JPG (366x222)
Download: Original    Medium    Small Thumb
Courtesy of:commons.wikimedia.org More Like This
Keywords: Снимок двухступенчатого RSC-триггера.JPG ru Логическая схема двухступенчатого RSC-т игге а и его условное г афическое обозначение http //www reltehnika ru/imput/lek_38_1 html Снимок сделал Анд ей Куликов 2010-10-27 Flip-flops
Terms of Use   Search of the Day