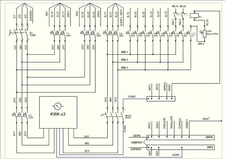
MAKE A MEME View Large Image Distrbution board.JPG en Part of distrbution board installation drawing ru П инципиальная схема главного щита et Kolmefaasilisi elektrikilbi montaazskeemskeem Own Dmitry G 2008-10-20 thumb left Distribution ...
View Original:Distrbution board.JPG (768x538)
Download: Original    Medium    Small Thumb
Courtesy of:commons.wikimedia.org More Like This
Keywords: Distrbution board.JPG en Part of distrbution board installation drawing ru П инципиальная схема главного щита et Kolmefaasilisi elektrikilbi montaazskeemskeem Own Dmitry G 2008-10-20 thumb left Distribution board thumb Executive wiring diagram Wiring diagrams of distribution boards
Terms of Use   Search of the Day