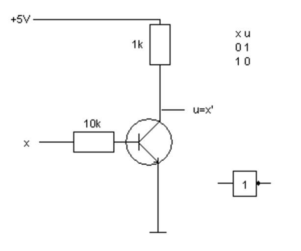
MAKE A MEME View Large Image CPU INV.PNG en Inverting Gate own Knoppson 2010-12-29 Digital circuits
View Original:CPU INV.PNG (300x250)
Download: Original    Medium    Small Thumb
Courtesy of:commons.wikimedia.org More Like This
Keywords: CPU INV.PNG en Inverting Gate own Knoppson 2010-12-29 Digital circuits
Terms of Use   Search of the Day